Home   >   Digitales ADSS  |  BLATT Materialien 
  ▸ @twitter       ▸ @derStandard       ▸ Impressum       Herwig Siebenhofer
Addierer
Multiplizierer
Flip-Flops
Decoder
Multiplexer
Register
Binärzähler
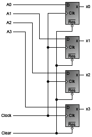
4-Bit Register

 
4-Bit Shiftregister

 
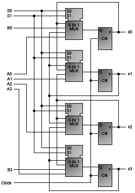
Bidirektionales 4-Bit Shiftregister