Home   >   Digitales ADSS  |  BLATT Materialien 
  ▸ @twitter       ▸ @derStandard       ▸ Impressum       Herwig Siebenhofer
Addierer
Multiplizierer
Flip-Flops
Decoder
Multiplexer
Register
Binärzähler
Half-Adder


 

Full-Adder


 

4-Bit Adder


 

4-Bit Subtractor


 

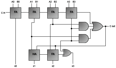
4-Bit Adder-Subtractor


 

4-Bit Adder für vorzeichenbehaftete Zahlen


 

4-Bit Adder-Subtractor für vorzeichenbehaftete Zahlen


 

BCD Adder