Home   >   Digitales ADSS  |  BLATT Materialien 
  ▸ @twitter       ▸ @derStandard       ▸ Impressum       Herwig Siebenhofer
Addierer
Multiplizierer
Flip-Flops
Decoder
Multiplexer
Register
Binärzähler
4-Bit Binärzähler

 
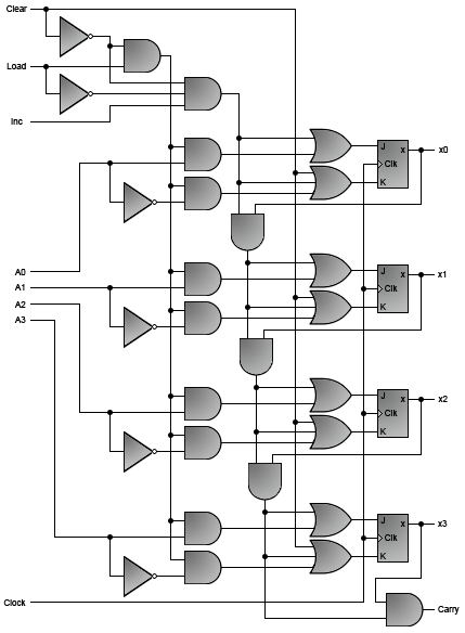
4-Bit Binärzähler mit Register