Home   >   Digitales ADSS  |  BLATT Materialien 
  ▸ @twitter       ▸ @derStandard       ▸ Impressum       Herwig Siebenhofer
Addierer
Multiplizierer
Flip-Flops
Decoder
Multiplexer
Register
Binärzähler
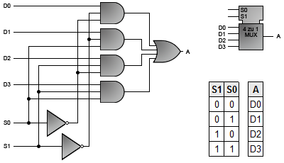
4 zu 1 Multiplexer

 
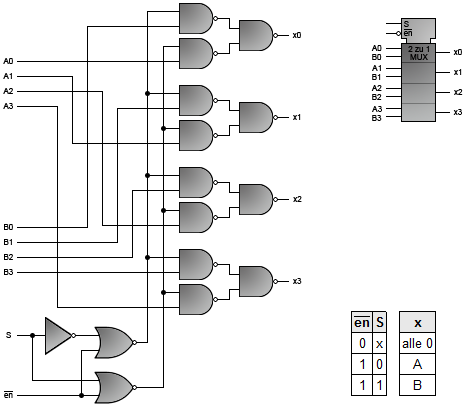
2 zu 1 Multiplexer – 4fach