Herwig Siebenhofer
 / Home / C64
 
C 64

    Memory Map
    Float Map
    ROM Map
    Basic ROM
    Kernal ROM
    Char ROM
    CPU 6510
    VIC 6569
    SID 6581
    CIA 6526
    PLA
    Keyboard
    Control-Ports
    sonstige Ports

    Bauteile
    Schematik 1
    Schematik 2
    Bus-Schematik
    HF-Modulator
    Datasette
    Reset

C 1541  Floppy

    Blockschaltbild
    Memory Map
    Rom Listing
    Schematik
    VIA 6522
    Service

C 1581  Floppy

    Memory Map
    Rom Listing
    Schematik
    CIA 8520
    WD 1772

Archiv

    Mouse 1531
    Float-Formate
    Screenshots
    Korrekturen
    Chip 74xx
 

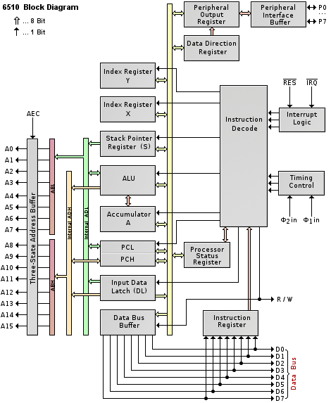
CPU 6510

Der MOS 6510 überblendet die Speicherstellen 0000h und 0001h mit den CPU-internen Steuerregistern. Diese können durch normale Speicherzugriffe gelesen und geschrieben werden.

0000  7-0   MOS 6510 Data Direction
Register (xx101111)
Bit= 1: Output, Bit=0:
Input, x=Don't Care
 
0001MOS 6510 Micro-Processor On-Chip I/O Port
0   /LORAM Signal (0=Switch BASIC ROM Out)
1   /HIRAM Signal (0=Switch Kernal ROM Out)
2   /CHAREN Signal (O=Swith Char. ROM In)
3   Cassette Data Output Line
4   Cassette Switch Sense: 1 = Switch Closed
5   Cassette Motor Control O = ON, 1 = OFF
6   Undefined
7   Undefined

 
Pin 10 inISystem clock signal: Bei ca. 1 MHz geniert von der VIC
Pin 2RDYIReaDY: Bei LOW, wartet die CPU mit dem Lesezyklus bis es HIGH wird
Pin 3!IRQIInterrupt ReQuest: Bei LOW führt die CPU nach dem aktuellen Commando einen Sprung aus (Pointer $fffe) sofern der Interrupt nicht maskiert ist.
Pin 4!NMIINon Maskable Interrupt: Bei LOW führt die CPU nach dem aktuellen Commando einen Sprung aus (Pointer $fffa).
Pin 5AECIAddress Enable Control: Bei LOW, schaltet die CPU ihren Buszugang auf 'tri-state' zur physischen Entkopplung.
Pin 6VccSupply voltage: +5V DC.
Pin 7-20A0-A13I/OAddressbus: Adresse für Lese- oder Schreibzugriff.
Pin 21GNDGrouND: Masse (0V)
Pin 22-23A14-A15  I/O  Addressbus: Adresse für Lese- oder Schreibzugriff.
Pin 24-29P5-P0I/ORAM/ROM-switching, kontrolliert über Adresse 0001.
Pin 30-37  D7-D0I/ODatabus
Pin 38R/!WOLOW=Schreibzugriff, HIGH=Lesezugriff. Gilt nur wenn "2 out" auf HIGH ist.
Pin 392 outOPhi2 out: Weitergabe der Taktfrequenz zur Synchronisation.
Pin 40!RESIRESet: Die CPU wird bei LOW, ausgelöst durch den NE556, in den Startzustand versetzt und beginnt bei dem Pointer $fffc.